Датчик давления ЭнИ-100
-
Основная приведенная погрешность: 0,075%, 0,1%, 0,15%, 0,2%, 0,25%, 0,5%
-
Диапазон измеряемых давлений: до 100 МПа
-
Межповерочный интервал: до 5 лет
-
Взрывозащита: общепромышленное; искробезопасная электрическая цепь, защита от воспламенения пыли оболочкой; взрывонепроницаемая оболочка; комбинированная защита.
-
Глубина перенастройки диапазона: до 1:50
-
Выходной сигнал: 4..20 мА+HART
-
Индикация: жидкокристаллическая с подсветкой (до -40 °С), светодиодная (-60 °С и ниже).
-
Степень защиты датчиков от воздействия пыли и воды: IP65, IP66, IP67
-
Уровень полноты безопасности: SIL2, SIL 3
-
Меню: RU/EN
-
Непрерывная самодиагностика
Технические характеристики
| Код исполнения датчика по материалам | Материал | Применяемость конструктивного исполнения | |
|---|---|---|---|
| мембраны | деталей полостей, контактирующих с рабочей средой | ||
| 02 | Сплав 36НХТЮ | Сталь 12Х18Н10Т, заменитель — 12Х18Н9Т, 08Х18Н10Т | Для штуцерного с разделительной мембраной |
| AISI 316L, заменитель – 10Х17Н13M2T | |||
| 06 | AISI 316L, заменитель – 10Х17Н13M2T | AISI 316L, заменитель – 10Х17Н13M2T | Для штуцерного с разделительной мембраной |
| 07 | Сплав Hastelloy C276 | Сталь 12Х18Н10Т, заменитель — 12Х18Н9Т, 08Х18Н10Т | |
| 08 | Сталь AISI 316L, заменитель – 10Х17Н13М2Т | ||
| Код климатического исполнения | Устойчивость к воздействию температуры и влажности по ГОСТ Р52931, группа исполнения | Устойчивость при воздействии остальных климатических факторов по ГОСТ 15150 | Предельные условия эксплуатации при воздействии окружающего воздуха и температура измеряемой среды в рабочей полости датчика |
|---|---|---|---|
| t1 | В3 | УХЛ4 | от + 5°С до + 50°С; относительная влажность 95 % при 30°С без конденсации влаги |
| t8 | С3 | УХЛ3.1 | от –10°С до +70°С; относительная влажность 95 % при 35°С без конденсации влаги |
| t10 * | Д2 | У2 | от –40°С до +80°С; относительная влажность 100 % при 40°С |
| t12 ** | Д3 | УХЛ1 | от –60°С до +80°С; относительная влажность 95 % при 35°С |
| * — Код не применять для 2159, 2450, 2359 с максимальным верхним пределом измерения 2,5 МПа | |||
| ** — Код не применять для 2159, 2450, 2359, 2ХХХмк | |||
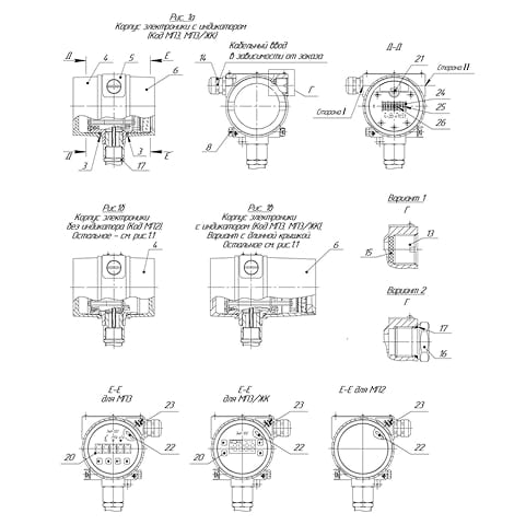
| Код | Присоединение/монтажные части | Рисунок |
|---|---|---|
| — | Монтажные части отсутствуют | |
| К1/4 наруж | Комплект монтажных частей: два монтажных фланца со штуцером с резьбой К1/4", крепеж |
![]() |
| 1/4NPT наруж. | Комплект монтажных частей: два монтажных фланца со штуцером с резьбой 1/4"NPT, крепеж | |
| К1/2 наруж. | Комплект монтажных частей: два монтажных фланца со штуцером с резьбой К1/2", крепеж |
![]() |
Заголовок для аккордеона
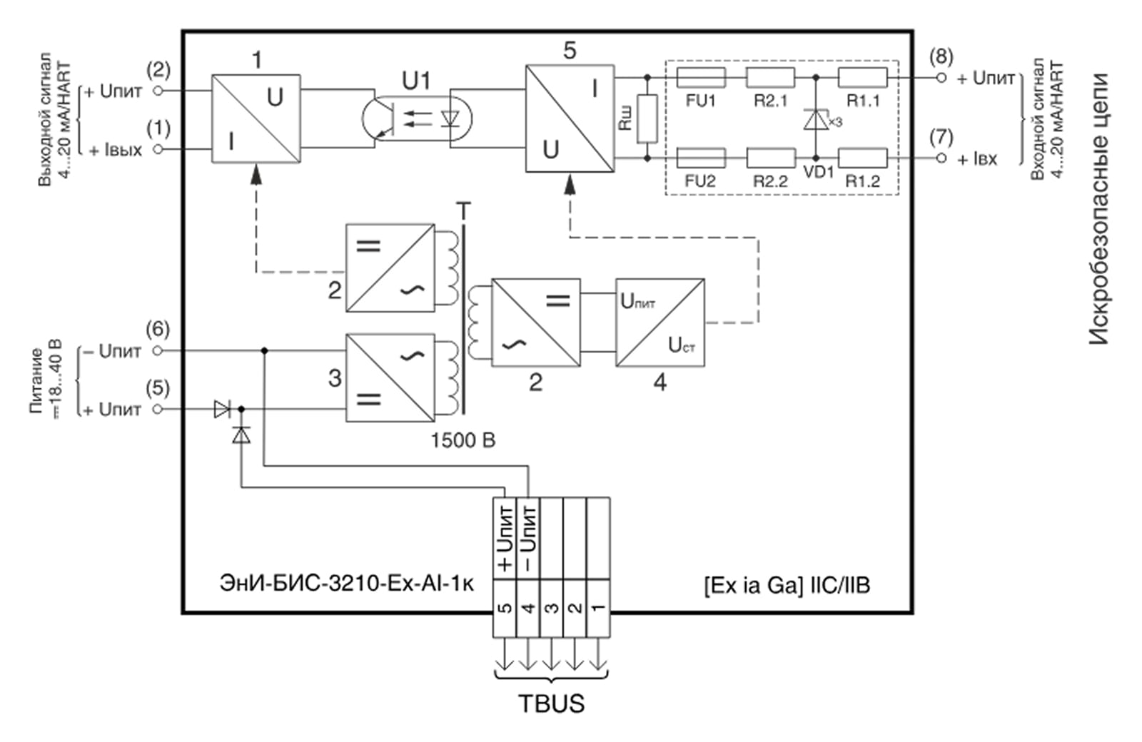
1 — преобразователь «напряжение-ток»;
2 — выпрямитель и преобразователь напряжения переменного тока в постоянное;
3 — преобразователь напряжения постоянного тока в переменное;
4 — стабилизатор напряжения;
5 — преобразователь «ток-напряжение»;
U1 — оптопара;
T — изолирующий трансформатор;
Rш — измерительный шунт.
1 — преобразователь «напряжение-ток»;
2 — выпрямитель и преобразователь напряжения переменного тока в постоянное;
3 — преобразователь напряжения постоянного тока в переменное;
4 — стабилизатор напряжения;
5 — преобразователь «ток-напряжение»;
U1 — оптопара;
T — изолирующий трансформатор;
Rш — измерительный шунт.
1 — преобразователь «напряжение-ток»;
2 — выпрямитель и преобразователь напряжения переменного тока в постоянное;
3 — преобразователь напряжения постоянного тока в переменное;
4 — стабилизатор напряжения;
5 — преобразователь «ток-напряжение»;
U1 — оптопара;
T — изолирующий трансформатор;
Rш — измерительный шунт.
Элементы управления и индикации, возможности конфигурирования:
Внешний вид лицевой панели электронного преобразователя с кодом исполнения МП3

-
Пятиразрядный семисегментный светодиодный индикатор
-
Светодиодный индикатор состояния функции корнеизвлечения
-
Светодиодный индикатор выбранной единицы измерения
-
Кнопки управления
Внешний вид лицевой панели электронного преобразователя с кодом исполнения МП3/ЖК

-
Числовое значение измеренного давления в режиме измерения
-
Зависимость выходного токового сигнала:
- «√» — корнеизвлекающая зависимость выходного сигнала;
- «4-20» — прямая зависимость выходного сигнала;
- «20-4» — обратная зависимость выходного сигнала.
-
Наличие блокировок конфигурирования датчика давления:
- «О» — запрет изменения конфигурации датчика аппаратными средствами;
- «Н» — запрет изменения конфигурации датчика по HART-протоколу;
- «М» — запрета работы функции коррекции нулевого значения магнитной кнопкой.
-
Значение измеренного давления в виде гистограммы: в относительной величине в соответствии с установленными верхним (100 %) и нижним (0 %) пределами измерения.
-
Кнопки управления:
- возврат, коррекция нулевого значения — перевода датчика из режима конфигурирования в режим измерения, отмена режима изменения значения параметра, функция быстрого доступа к коррекции нулевого значения
- назад и вперед — в режиме конфигурирования для выбора изменяемого параметра (пункта меню) и выбора значений параметров в направлении назад или вперед соответственно. В режиме измерения кнопки не влияют на работу датчика;
- ввод — ввод датчика в режим конфигурирования, ввод в режим изменения значения параметра, запись в память измененного значения параметра.
-
Буквенно-цифровые наименования параметров и значения параметров в режиме конфигурирования датчика и буквенно-цифровые сообщения о состоянии датчика в аварийных ситуациях (сообщения об ошибках).
Истории применения
- Машиностроение
- Нефтегазовая промышленность
- Металлургия
- Энергетика
- Прочие отрасли















